G20-T001 Interruttore sensore promemoria cintura di sicurezza per veicoli
| Articolo | Descrizione |
|---|---|
| Nome del prodotto | Interruttore promemoria cintura di sicurezza auto |
| Funzione | Rileva l'inserimento della cintura di sicurezza e invia segnali di stato precisi al sistema di sicurezza del veicolo |
| Caratteristiche principali | Alta sensibilità, risposta rapida, segnale di uscita stabile per avvisi di sicurezza del veicolo |
| Livello di protezione | IP67 |
| Durata | Lunga durata meccanica ed elettrica per ambienti con frequente utilizzo delle cinture di sicurezza |
| Compatibilità | Adatto per autovetture, veicoli commerciali, veicoli elettrici e sistemi di sicurezza intelligenti |
| Applicazioni | Sistemi di avviso cinture di sicurezza, moduli di rilevamento occupanti, unità di controllo di sicurezza del veicolo |
| Benefici | Migliora la sicurezza del conducente, riduce i falsi allarmi, migliora l'affidabilità complessiva del veicolo |
La caratteristica dell'interruttore di promemoria della cintura di sicurezza dell'auto
Questo componente è un gruppo di interruttori altamente sigillato, progettato specificamente per moduli di interruttori in veicoli con macchinari ingegneristici. Vanta un'elevata resistenza ambientale, ottenendo un IP67 Grado di protezione. Il modulo utilizza il microinterruttore G303-130K00A13-A1U e l'intero assemblaggio è conforme ai requisiti di certificazione UL, garantendo qualità e sicurezza. Nell'uso pratico, questo modulo è in grado di sopportare forze di trazione significative, presenta una durata stabile e affidabile ed è adatto per sistemi di commutazione in condizioni operative difficili con requisiti estremamente elevati di tenuta e durata.
- Gruppo interruttore ad alta tenuta;
- Soddisfa i requisiti IP67;
- I componenti sono certificati UL;
- Lunga durata di servizio;
- Buona stabilità e affidabilità.
Parametri dell'interruttore di promemoria della cintura di sicurezza dell'auto
| Resistenza di isolamento | 100 MΩ minimo. |
| Resistenza di contatto | 100 mΩ Max. (senza linee) |
| Umidità di esercizio | 85% di umidità relativa massima |
| Temperatura di lavoro | -40℃ ~ +85℃ |
| Durata di servizio | 500.000 次 |
| Grado di impermeabilità | IP67 |
| Carico consigliato | 10 mA 12 V CC |
| Commutazione del resistore | <20mΩ (stato iniziale) |
| Ora di inizio | <3 ms |
| OP | 10,0 ± 1,0 mm |
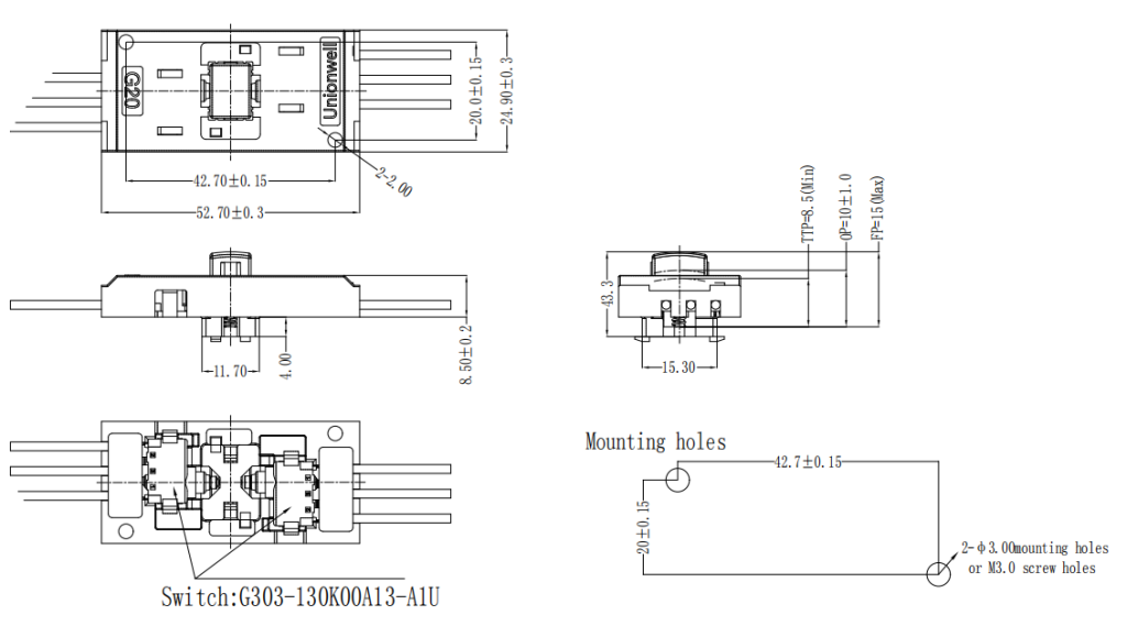
Disegno dell'interruttore di promemoria della cintura di sicurezza dell'auto
Internamente è costituito da due Microinterruttori impermeabili Unionwell G303-130K00A13-A1U.
Visualizza dettagli
Applicazione dell'interruttore di promemoria della cintura di sicurezza dell'auto
L'interruttore di promemoria per cintura di sicurezza per auto G20-T001, progettato da Unionwell specificamente per le strutture delle cinture di sicurezza per autoveicoli, integra un microinterruttore impermeabile altamente affidabile. Appartenente alla categoria dei microinterruttori per autoveicoli, viene utilizzato per rilevare lo stato di aggancio della cintura di sicurezza in tempo reale.
Nelle applicazioni pratiche, questo interruttore genera un segnale elettrico preciso al momento dell'allacciamento o dello sgancio, trasmettendolo alla centralina del veicolo per fornire promemoria tempestivi sullo stato delle cinture di sicurezza slacciate. A differenza dei tradizionali interruttori di promemoria per cinture di sicurezza per auto G20, la serie G20-T001 include componenti strutturali per il collegamento diretto e l'installazione ai sistemi automobilistici. È compatibile con i sistemi di diverse marche automobilistiche.
Ecco una ripartizione di Interruttore promemoria cintura di sicurezza auto G20‑T001 — cos'è, come funziona e cosa sapere prima di prenderlo in considerazione per la modifica o la costruzione di un veicolo:
✅ Cos'è
- Il “G20-T001” fa parte del Interruttori di promemoria per cinture di sicurezza per autoveicoli serie G20 — un piccolo microinterruttore progettato per l'uso nei sistemi di rilevamento/promemoria delle cinture di sicurezza delle automobili.
- Il suo compito: rilevare se la cintura di sicurezza è stata allacciata. Quando rileva la cintura allacciata, chiude o interrompe un circuito, che può essere utilizzato dall'elettronica dell'auto per attivare un promemoria per la cintura di sicurezza (segnale acustico, spia luminosa) o altre funzionalità di blocco di sicurezza.
⚙️ Specifiche principali
- Valutazione operativa: 5 – 1000 mA, 4 – 48 V CC (a seconda della configurazione del resistore)
- Resistenza di contatto (iniziale): ≤ 100 mΩ (singolo interruttore, esclusi i resistori)
- Resistenza di isolamento: ≥ 100 MΩ (singolo interruttore, esclusi i resistori)
- Rigidità dielettrica: 500 V CA tra i terminali; 1000 V CA tra i terminali e l'alloggiamento (singolo interruttore, esclusi i resistori)
- Intervallo di temperatura di esercizio: da –40 °C a +85 °C, il che lo rende adatto agli ambienti automobilistici.
- Durata/ciclo di vita: si segnala una lunga durata di vita utile: sia l'utilizzo meccanico che quello elettrico sono supportati per molti cicli.
📦 Dove viene utilizzato / Applicazioni tipiche
- Più comunemente: come sensore di inserimento della cintura di sicurezza nel sistema di promemoria delle cinture di sicurezza di un veicolo, per le cinture di sicurezza del conducente o del passeggero.
- Utilizzato anche nei settori dei "carichi di microcorrente", tra cui apparecchiature elettroniche (quando è necessario un collegamento a cinghia o un meccanismo di bloccaggio/rilevamento) oltre che nei sedili delle automobili.
🔎 Cosa sapere (Pro / Limitazioni / Considerazioni)
Pro:
- Piccolo e compatto, facile da integrare nei meccanismi delle cinture di sicurezza o nelle configurazioni personalizzate dei sedili.
- Progettato per l'uso in ambito automobilistico: intervallo di temperatura di esercizio robusto, valori elettrici adeguati e durata utile prolungata.
- Flessibile: può essere utilizzato con una varietà di sistemi di cinture di sicurezza o anche con progetti non automobilistici che richiedono il rilevamento dell'inserimento della cintura, purché i requisiti elettrici siano conformi.
Cose da verificare/a cui fare attenzione:
- Poiché si tratta di un "microinterruttore" e non di un modulo completo di promemoria per la cintura di sicurezza, la sua integrazione richiede in genere un cablaggio aggiuntivo e, possibilmente, la configurazione del modulo di controllo dell'auto o di componenti elettronici personalizzati (per far funzionare la spia/il cicalino del promemoria o altri dispositivi di blocco).
- L'opzione di resistenza è importante: è necessario verificare la corretta configurazione della resistenza per il cablaggio del veicolo o per l'intervallo di segnale elettrico desiderato.
- L'installazione o la modifica di sistemi di promemoria delle cinture di sicurezza può influire sulla conformità alla sicurezza del veicolo o sulla garanzia, a seconda delle leggi e delle normative locali.
🧰 Idoneità del caso d'uso: quando G20-T001 è una buona soluzione
- Stai costruendo o modificando un sedile (ad esempio un sedile personalizzato per un'auto da progetto o un retrofit) e hai bisogno di un sensore di rilevamento dell'inserimento della cintura di sicurezza di base.
- Stai progettando un veicolo personalizzato o un sistema di cinture di sicurezza (ad esempio per un'auto in kit, un'auto da corsa o un sedile speciale) per il quale non è disponibile un sensore OEM standard.
- È necessario un interruttore elettromeccanico compatto e semplice per rilevare l'inserimento di una cinghia o di un meccanismo simile a una cintura, non solo per le automobili, ma anche per altri dispositivi meccanici/elettrici.
Il nostro vantaggio

Imballaggio

Spedizione

Domande frequenti
D1. Accettate OEM o ODM?
R: Sì, abbiamo un team di ricerca e sviluppo molto solido. Vantiamo una vasta esperienza in OEM e ODM.
D2. Avete brevetti sui microinterruttori?
R: Sì, abbiamo più di 200 brevetti sui microinterruttori.
D3. Quanti dipendenti ci sono nella vostra fabbrica?
R: Attualmente nella nostra fabbrica lavorano oltre 600 dipendenti.
D4. Quanti ingegneri ci sono nel vostro reparto di ricerca e sviluppo?
R: Circa 60 ingegneri nel reparto R&S, metà dei quali vanta più di 20 anni di esperienza nel settore dei microinterruttori.
D5. Qual è la capacità mensile?
A: Oltre 8 milioni di pezzi al mese per la serie di microinterruttori.
Oltre 20 milioni di pezzi al mese per la serie di interruttori per tastiera.

















